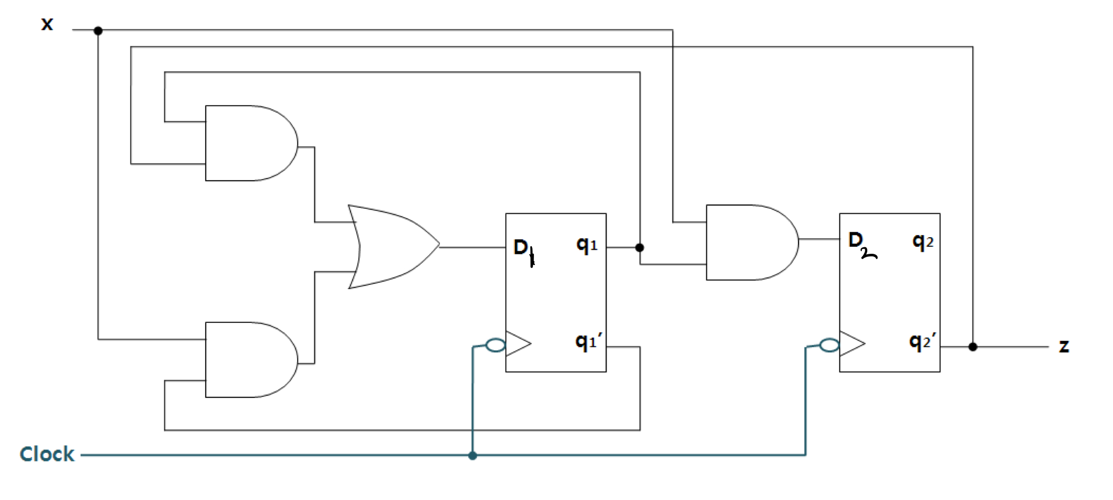
D flip flop Moore model circuit

Equation
D1 = q1q2'+xq1'
D2 = xq1
z = q2'
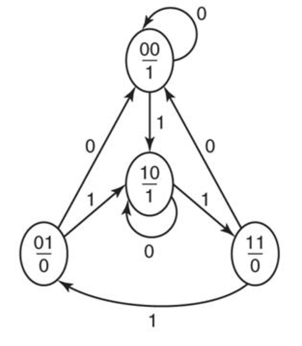
회로를 보면 x값이 직접적으로 z와 연결되어 있지 않다. 따라서 현재의 input에 영향을 받지 않으므로 Moore circuit이다.
For next state q*=D
q1* = D1
q2* = D2


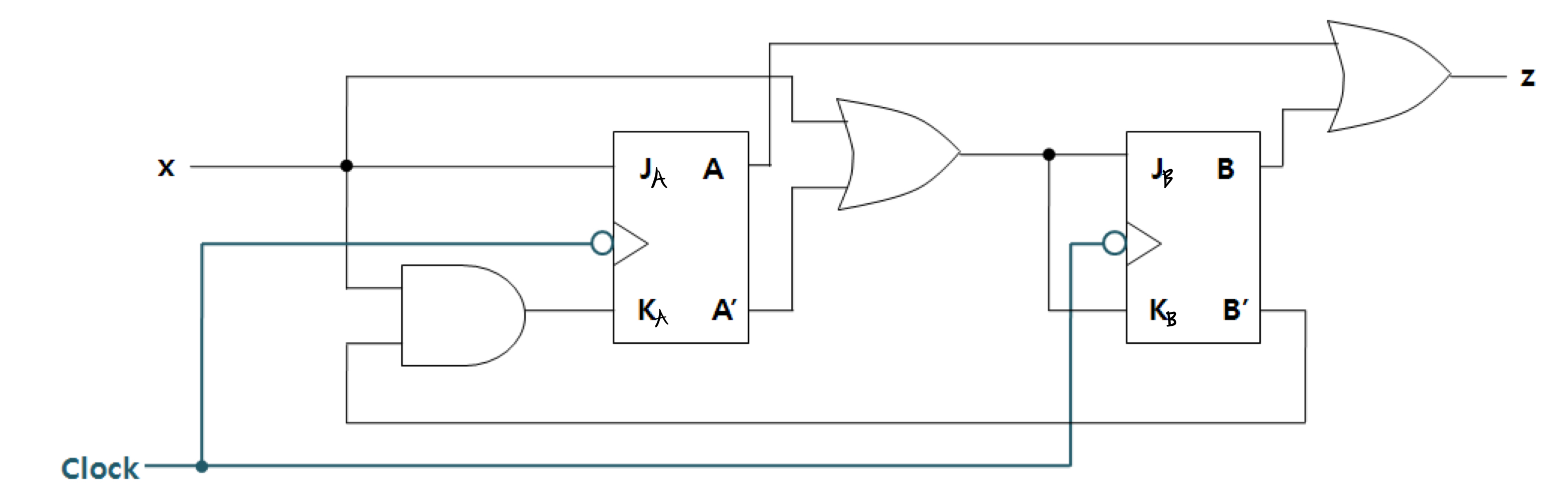
JK flip flop Moore model circuit

Equation
JA = x, KA = xB'
JB = KB = x + A'
z = A + B
| A | B | x | Ja | Ka | Jb | Kb | A* | B* |
| 0 | 0 | 0 | 0 | 0 | 1 | 1 | 0 | 1 |
| 0 | 0 | 1 | 1 | 1 | 1 | 1 | 1 | 1 |
| 0 | 1 | 0 | 0 | 0 | 1 | 1 | 0 | 0 |
| 0 | 1 | 1 | 1 | 0 | 1 | 1 | 1 | 0 |
| 1 | 0 | 0 | 0 | 0 | 0 | 0 | 1 | 0 |
| 1 | 0 | 1 | 1 | 1 | 1 | 1 | 0 | 1 |
| 1 | 1 | 0 | 0 | 0 | 0 | 0 | 1 | 1 |
| 1 | 1 | 1 | 1 | 0 | 1 | 1 | 1 | 0 |


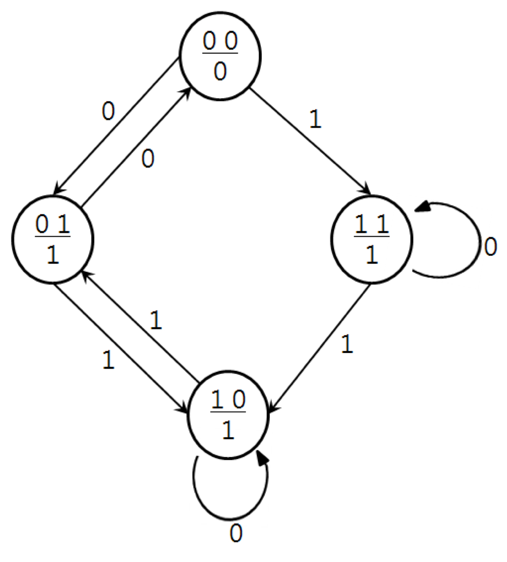
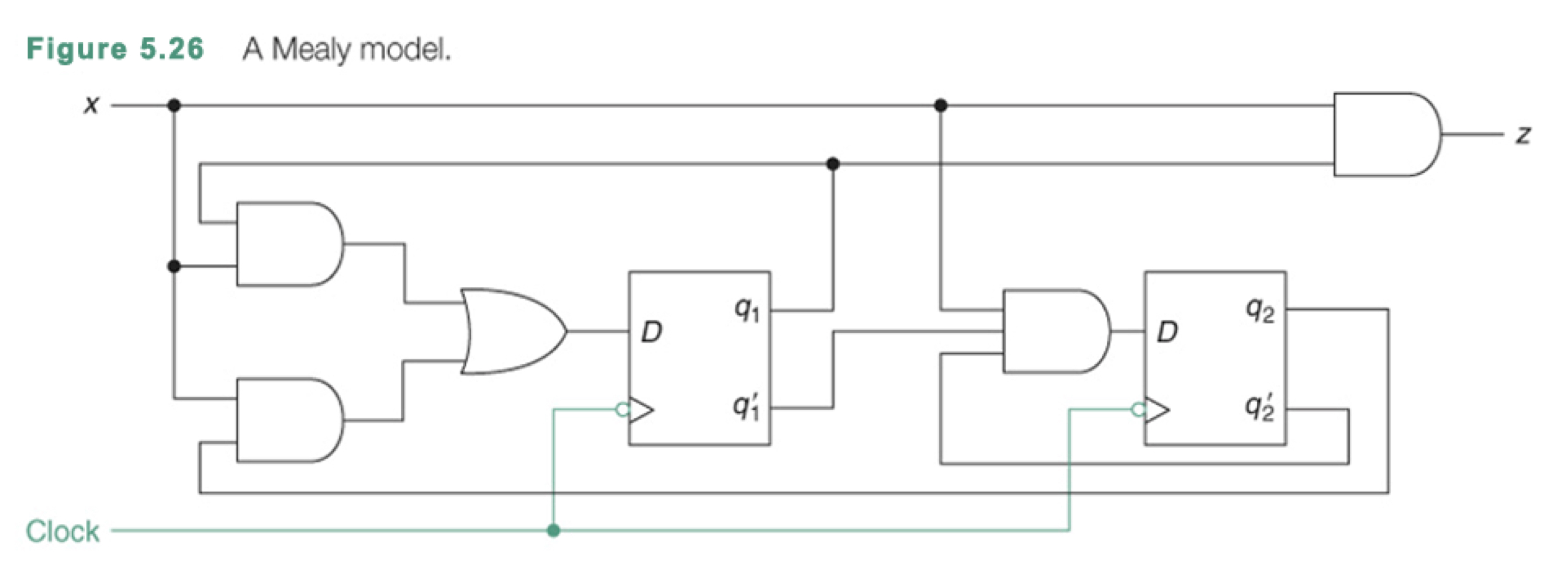
A Mealy Model

위 식을 보면 현재의 input이 out에 영향을 미치는 것을 볼 수 있다. 따라서 Mealy Model.
Equation
D1 = xq1 + xq2
D2 = xq1'q2'
z = xq1

input의 영향을 받으므로 z의 값이 2개로 나뉜다.

'3-2 > 디지털회로개론' 카테고리의 다른 글
| 11-1주차 (Chapter 6) (0) | 2021.11.15 |
|---|---|
| 10-1주차 (Chapter 5) (0) | 2021.11.08 |
| 9-1주차(ROM,PLA,PAL) (0) | 2021.11.02 |
| 8주차(Adder/Subtractor/decoder/Multiplexer/Bus) (0) | 2021.11.02 |
| 7주차(Chapter 4) (0) | 2021.10.14 |