Adders/Subtractors

Adder는 기존에 우리가 알고 있던 방식으로 A+B 를하면 되고
Subtract은 2's complment를 사용하여 A+B'+1을 해줘서 계산하면 된다.

a4,a3,a2,a1의 값에 b4,b3,b2,b1의 값을 a'ls로 더할지 뺄지를 결정한다.
Binary decoders

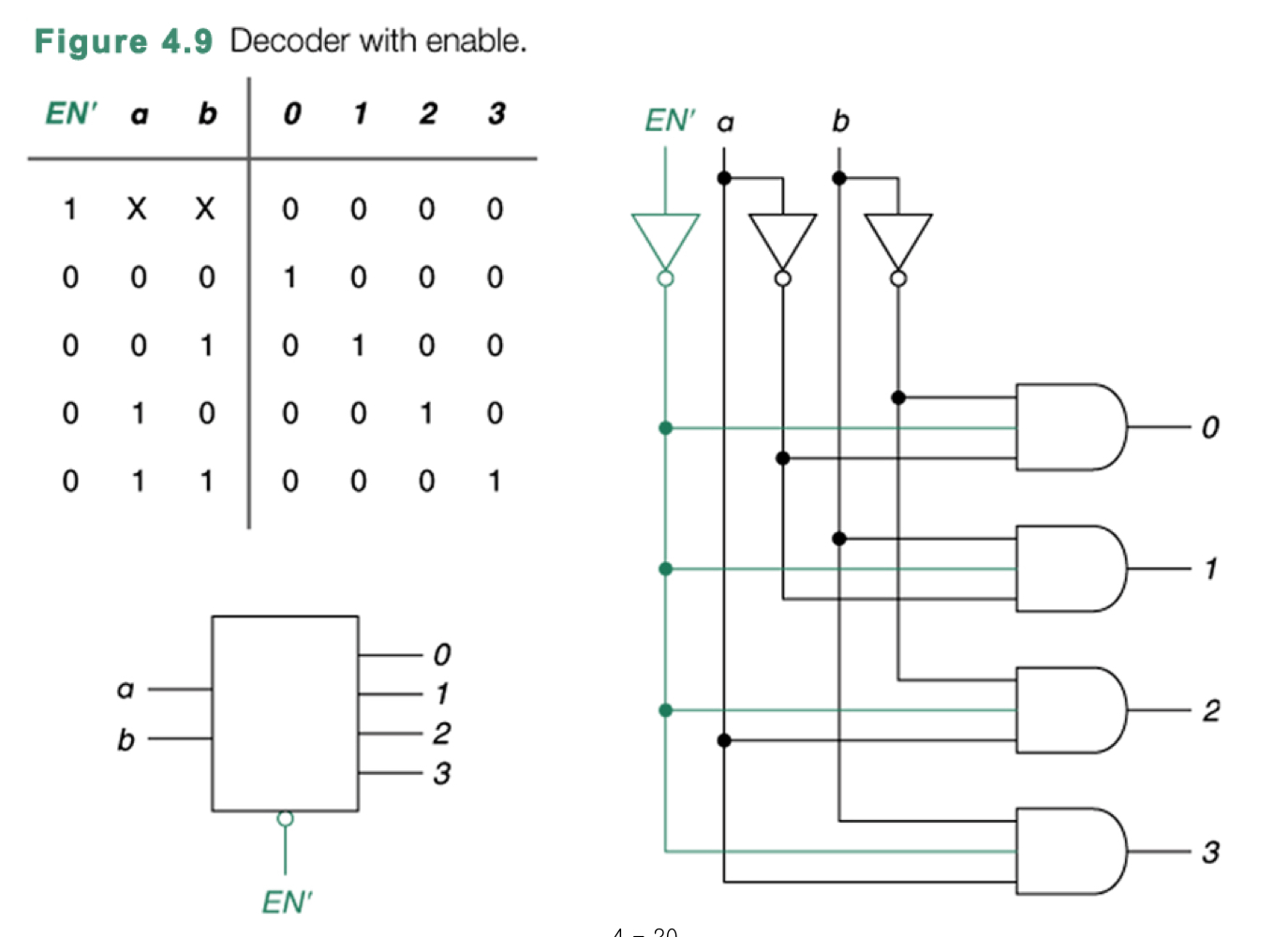
위와 같이 논리회로를 만들면 무엇을 할 수 있을까?
| a | b | 0 | 1 | 2 | 3 |
| 0 | 0 | 1 | 0 | 0 | 0 |
| 0 | 1 | 0 | 1 | 0 | 0 |
| 1 | 0 | 0 | 0 | 1 | 0 |
| 1 | 1 | 0 | 0 | 0 | 1 |
진리표를 작성하면 위와 같은데 2개의 변수로 4개 중 어떤 것을 사용할 지 고를 수 있다.
더 일반화를 하자면 n개의 변수로 2^n개 중 어떤 것을 사용할 지 고를 수 있다는 말이다.

active low decoder는 AND gate가 아닌 NAND gate로 바꿔서 active high decoder와 비교했을 때, 1일 경우 선택하는 것이 아니라 0일 경우 선택하는 것으로 되어 있다. 이렇게 하는 이유는 보통 1보다 0을 신호를 주는 것이 빠르고, NAND gate가 AND gate 보다 빠르기 때문이다.

EN'(Enable)이라는 값을 이용하여 active high decoder를 active lower decoder로 바꿀 수 있다.

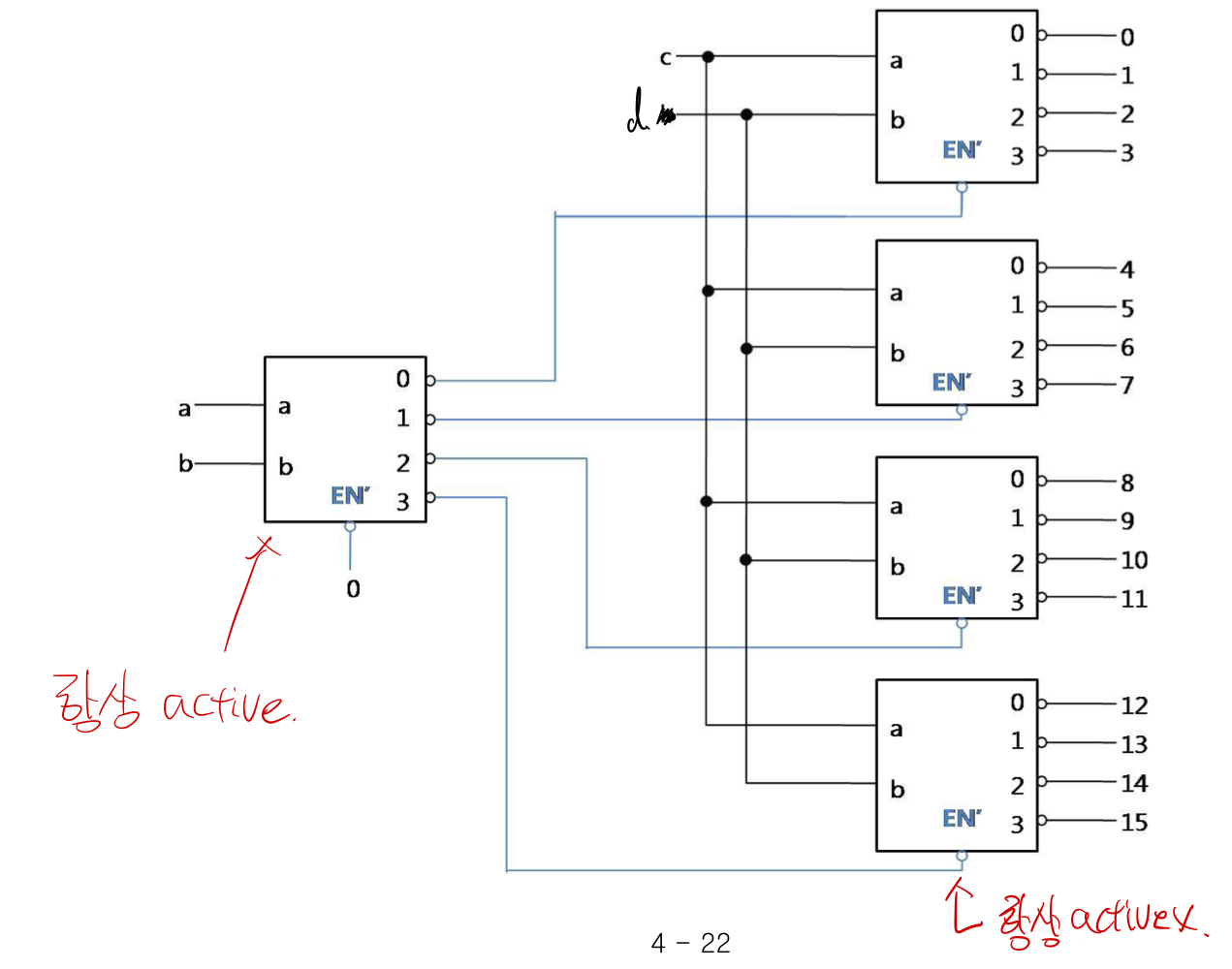
2x4 decoder로 4x16 decoder를 만들 수 있다. 앞에 있는 2x4 decoder로 뒤에 있는 decoder 중 하나를 활성화 시켜 값을 넘긴다.
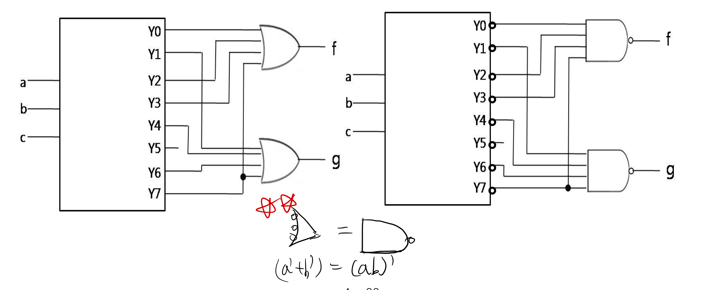
Logic function by decoders

f(a,b,c) = ∑m(0,2,3,7)
g(a,b,c) = ∑m(1,4,6,7) 이라고 하면 위와 같은 논리회로로 표현 할 수 있다.
inverter를 거쳐온 값이 OR gate를 만나면 그 값은 그냥 NAND gate를 이용하여 통과하는 것과 값이 같다는 것을 알아두자.
Multiplexers(data selectors)

data selector는 decoder와 실행 방식이 비슷하면서 좀 다른데 decoder는 명령어들이 존재를 하고 docoder를 통해 선택되는 개념이라면, data Selector는 data와 Selector가 동시에 들어와 Data 중 하나만 선택되는 개념이다.
Data가 n개라면 필요한 Selector의 개수는 logn개이다.




Function implementation using mux

f(a,b)=∑m(0,1,3)을 design한 것이다. (꼭 design 할 줄 알아야한다.)
Three state gates(buffers)

Three state gate는 Tri-state buffer라고 불리우며 output 값에는 0,1,Z가 있다.
Z란 연결되어 있지 않다는 말로 0과는 다른 의미이다. EN 값이 0 일때는 끊어져있고, EN 값이 1일 때는 이어져있다는 것을 의미한다.
가장 오른쪽에 있는 것은 three-state gates를 이용한 multiplexer인다. enable이 input을 control한다(EN=0 일 때, f=a/EN=1 일 때, f=b).
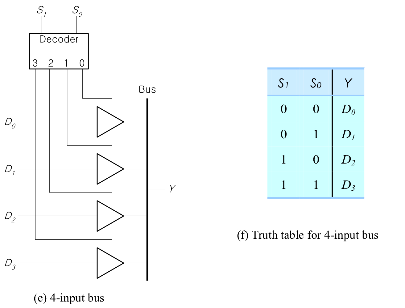
Three-state gate는 bus에 쓰이는데 bus란 어떤 data가 변할지를 정해주는 line의 집합이다.
Bus


Three-state gate를 이용하면 위와 같이 Bus를 구현 할 수 있다.
'3-2 > 디지털회로개론' 카테고리의 다른 글
| 10-1주차 (Chapter 5) (0) | 2021.11.08 |
|---|---|
| 9-1주차(ROM,PLA,PAL) (0) | 2021.11.02 |
| 7주차(Chapter 4) (0) | 2021.10.14 |
| 6-2주차(chapter3) (0) | 2021.10.06 |
| 6-1주차(Chapter3 The Karnaugh Map) (0) | 2021.10.04 |